Jeřáb CM 64 – Technické parametry

Jeřáb CM 64 je vhodný pro montáže, manipulaci s materiálem a práce ve výškách. Ideální pro krovy, konstrukce, lešení, bednění a přesné usazování břemen.

Jeřáb je možné pronajmout.
Pro více informací a dostupnost termínů mě kontaktujte:
Tel: 608 020 800  •  E‑mail: cisard@seznam.cz

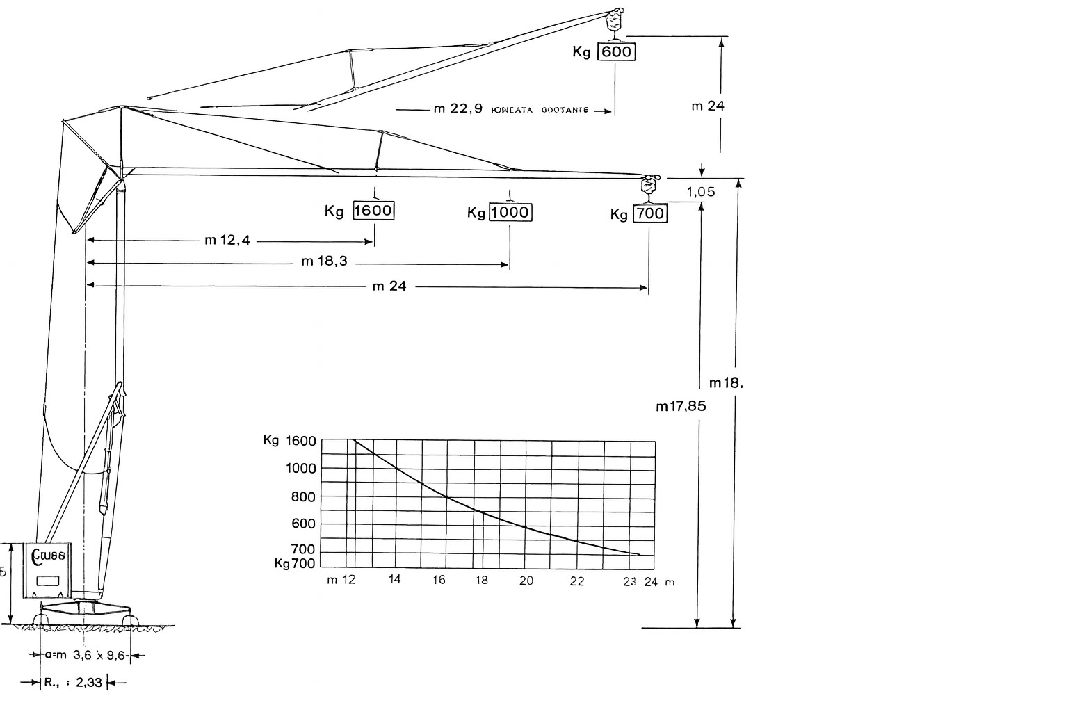
Nosnosti a dosah

Přehled nosností podle vyložení ramene.

Rozměry při přepravě

Rozměry jeřábu ve složeném stavu pro přepravu.

Rozměry při rozkládání jeřábu

Ukázka situace při stavbě a rozkládání jeřábu na místě.